

A4992K - 汽车步进驱动器
A4992K是Allegro公司的一款双极步进电动机驱动器产品,A4992K是汽车步进驱动器,本站介绍了A4992K的封装应用图解、特点和优点、功能等,并给出了与A4992K相关的Allegro元器件型号供参考。
A4992K - 汽车步进驱动器 - 双极步进电动机驱动器 - 电动机驱动器和接口IC - Allegro MicroSystems, LLC
功能描述
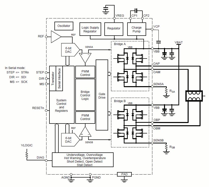
A4992 是一款灵活的微步电动机驱动器,其具有集成相电流控制和内置转换器,可实现轻松操作。它采用单芯片解决方案,能够以全步进、半步进、四分之一、八分之一及十六分之一步进模式,以高达 28V 的电压驱动双极步进电动机。在启动时, A4992 被配置成利用简单的步进和方向输入驱动大多数小型的步进电动机。
电流调整器使用固定频率 PWM 运行。其使用自适应混合电流衰减来降低电动机的可闻噪音和提高步进准确性。
电动机中各相电流均通过 DMOS 全桥式装置进行控制,使用同步整流,减少功率耗散。在高侧驱动和低侧驱动之间切换时,内部电路和计时器可防止跨导和击穿。
输出有短路保护功能。具有低负载电流和失速转子检测功能。芯片级保护包括高温和低温警告、过温关机、过压与欠压锁定。
利用 STEP、DIR 和 MS 输入,可使用可选的串行接口模式配置多个电动机控制参数和诊断。
A4992 采用 20 引脚 TSSOP 功率封装,并安装有裸露热焊盘(封装类型为 LP)。无铅 (Pb) 封装,采用 100% 雾锡电镀引脚框。
应用:
- 汽车步进电动机
- 引擎管理
- 车头灯定位
特点和优点
具体的完整型号
| 型号 | 封装类型 | 温度 | 遵循 RoHS规范 |
|---|---|---|---|
| A4992KLPTR-T | 20-lead TSSOP | -40°C to 125°C | 是 |
下面可能是您感兴趣的Allegro公司双极步进电动机驱动器元器件


Allegro公司产品现货专家,订购Allegro公司产品不限最低起订量,Allegro产品大陆现货即时发货,香港库存3-5天发货,海外库存7-10天发货
寻找全球Allegro代理商现货货源 - Allegro公司(Allegro MicroSystems)电子元件在线订购








