

A3967 - 带转换器的微步驱动器
A3967是Allegro公司的一款双极步进电动机驱动器产品,A3967是带转换器的微步驱动器,本站介绍了A3967的封装应用图解、特点和优点、功能等,并给出了与A3967相关的Allegro元器件型号供参考。
A3967 - 带转换器的微步驱动器 - 双极步进电动机驱动器 - 电动机驱动器和接口IC - Allegro MicroSystems, LLC
功能描述
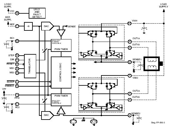
A3967SLB 是完整的微步电动机驱动器,具有内置转换器。 该驱动器可在全步进、半步进、四分之一及八分之一步进模式中操作双极步进电动机,输出驱动能力为 30 伏特及 ±750 毫安。 A3967SLB 包括一个固定关断时间电流稳流器,该稳流器可在慢、快或混合衰减模式下操作。此电流衰减控制方案能减少可闻电动机噪音、增加步进精确度并减少功率耗散。
转换器是 A3967SLB 易于实施的关键。 通过简单地在“步进”输入中输入一个脉冲,电动机会产生步进(全步进、半步进、四分之一或八分之一步进,根据两个逻辑输入的情况而定)。无须进行相位顺序表、高频率控制线路或复杂的界面编程。 A3967SLB 界面非常适合复杂的微处理器不可用或过载的应用。
内部电路保护包括带时延的过热关机、瞬态抑制二极管及交叉电流保护。不需要特别的加电排序。
A3967SLB 采用带蝙蝠式铜片的 24 引脚 SOIC 封装。 铜片处于接地电位,且不需要电气绝缘。 另有无铅(100% 雾锡电镀引脚框)版本可供选择。
特点和优点
具体的完整型号
| 型号 | 封装类型 | 温度 | 遵循 RoHS规范 |
|---|---|---|---|
| A3967SLBTR-T | 24-lead SOIC | -20°C to 85°C | 是 |
下面可能是您感兴趣的Allegro公司双极步进电动机驱动器元器件


Allegro公司产品现货专家,订购Allegro公司产品不限最低起订量,Allegro产品大陆现货即时发货,香港库存3-5天发货,海外库存7-10天发货
寻找全球Allegro代理商现货货源 - Allegro公司(Allegro MicroSystems)电子元件在线订购







