

A4409K是Allegro公司的一款多输出稳压器产品,A4409K是可调节频率降压或降压-升压预稳压器,带有2种LDO、窗式看门狗计时器和NPOR,本站介绍了A4409K的封装应用图解、特点和优点、功能等,并给出了与A4409K相关的Allegro元器件型号供参考。
A4409K - 可调节频率降压或降压-升压预稳压器,带有2种LDO、窗式看门狗计时器和NPOR - 多输出稳压器 - 稳压器和照明 - Allegro MicroSystems, LLC
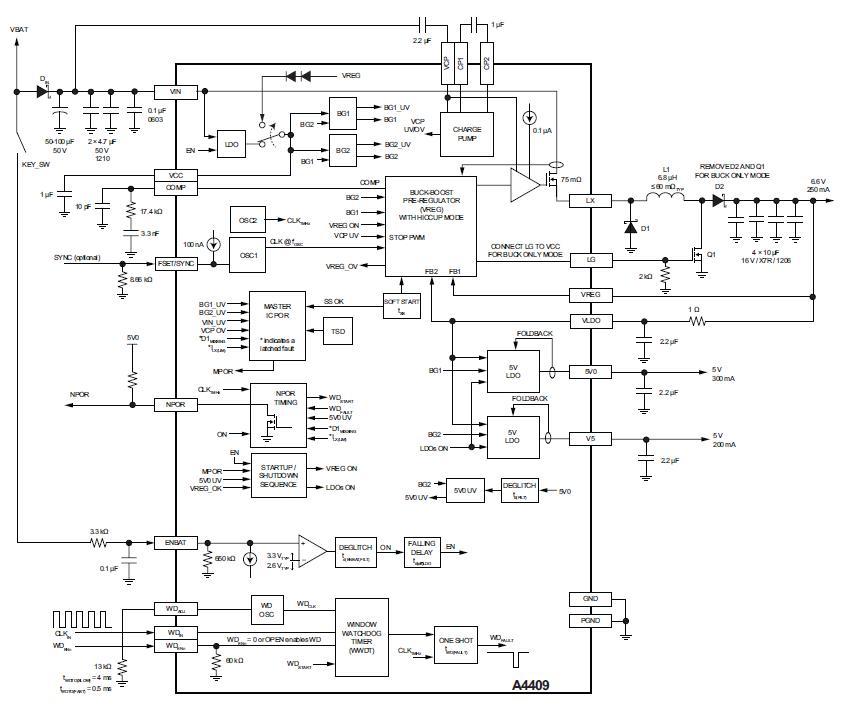
A4409 是一种电源管理 IC,该产品使用降压或降压-升压预稳压器来将汽车电池电压有效转换为严格调制的中间电压,并兼具控制、诊断和保护功能。预稳压器输出提供 5?V, 300 mAMIN LDO 和 5?V, 200 mAMIN LDO。设计用于在高温环境中向 CAN 和微处理器供电,A4409 是汽车发动机罩下应用的理想之选。
A4409 的激活输入兼容高压电池级 (ENBAT)。
设备诊断输出包括加电复位输出 (NPOR),典型固定延迟为 22.5?ms。双带隙一个用于稳压一个用于故障检查,可以提高围绕 A4409 设计的系统的长期稳定性。
A4409 中含有窗式看门狗计时器,可以通过编程来接受一系列的时钟频率 (WDADJ)。看门狗计时器有固定的 30?ms 激活延迟,可以允许处理器启动。看门狗计时器具有一个激活/禁用销(低电平有效、WDENn),以便于初始工厂编程或现场再次闪存编程。保护功能包括用于预稳压器轨的双控制环路。一旦发生短路输出,所有线性稳压器带有返送过流保护功能。切换稳压器包括逐脉冲电流限制、打嗝模式短路保护、LX 短路保护和异步二极管缺失保护和热关机功能。
A4409 采用低厚度 (最大高度 1.2?mm) 20 引线 eTSSOP 封装 (后缀“LP”),配有裸露散热焊盘。
应用
为汽车控制模块中的 (μC/DSP、CAN、传感器等) 提供系统电力,例如:
- 电子助力转向 (EPS)
- 变速器控制单元 (TCU)
- 高级制动系统 (ABS)
- 排放控制系统
- 其他汽车应用
| 型号 | 封装类型 | 温度 | 遵循 RoHS规范 | ||||
|---|---|---|---|---|---|---|---|
| APEK4409KLP-01-MH | DEMO BOARD | -20°C to 85°C | 否 | -- | 新 | 联系本地销售代表 | 检查库存 |
| A4409KLPTR-T | 20-lead TSSOP | -40°C to 150°C | 是 | 查看数据 | 新 | 联系本地销售代表 | 检查库存 |









